Contacto
Empresa
Clientes
Noticias
Productos
Inicio
Redes de agua potable y líquidos cloacales
Agua y Cloacas
Cañería de PVC
AGUA - Clase 6 y 10
CLOACAL
Cañería de Polietileno
Polietileno - Alta Densidad
Polietileno - Baja Densidad
Accesorios de PVC
Agua - Clase 10 J/E
Cloacal
Válvulas e Hidrantes
Esclusa
Aire
Mariposa
Retención
Hidrante
Accesorios de hierro
Adaptadores y Bridas
Adaptadores y Juntas de Amplia Tolerancia
Juntas de Reparación
Plásticas
Hierro
Abrazaderas y Kits domiciliarios
Abrazadera de derivación
Llave y válvula docimiciliaria
Accesorios para conexiones domiciliarias
Cajas Plásticas
Caja para Medidor
Caja para Válvula esclusa / Hidrante / Inspeccion Cloacal
Cajas y Marco y Tapa de Hierro
Caja de Medidor, Esclusa e Hidrante
Marco y reja de desagüe
Marco y tapa boca registro
Medidores y MacroMedidores Agua
Accesorios Eletrofusión
Electrofusión
Mallas de Advertencia
Malla de advertencia agua y cloaca
Dosificadoras de cloro
Dosificadoras de cloro
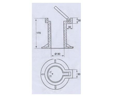
Caja p/vállvula Esclusa Hierro
Caja tipo brasero para Válvula esclusa

Modelos:
Caja Brasero Con Bisagra: Construida en Hierro Dúctil con revestimiento de esmalte sintético.
Tapa redonda

Caja Brasero Modelo OSN (Pesada): Construida en Hierro Fundido con revestimiento de esmalte sintético.
Tapa Cuadrada

Compañía Hídrica Argentina S.R.L. © Todos los derechos reservados Inicio | Productos | Noticias | Clientes | Empresa | Contacto
Diseño y Desarrollo Web | Media Bocha